VALETTA
Glossar
Fachbegriffe rund um Sonnenschutz
A
B
C
D
E
F
G
H
I
K
L
M
N
P
Q
R
S
T
U
V
W
Z
A
Abrollsicherung
Die serienmäßige Abrollsicherung schaltet die Toranlage im Falle eines zu schnellen Abrollens des Torpanzers bei Defekten elektrisch ab und bringt die Welle, auf die der Torpanzer gewickelt ist, mechanisch zum Stillstand.
Hinweis:
Das nach DIN EN 13241-1 gefertigte SI-TOR Garagentorsystem ist serienmäßig ab Werk mit einer Abrollsicherung ausgestattet.
Das nach DIN EN 13241-1 gefertigte SI-TOR Garagentorsystem ist serienmäßig ab Werk mit einer Abrollsicherung ausgestattet.
Abweichende Gewebehöhe
Bei rollbarem Insektenschutz möglich, wenn auf Grund einer baulichen Situation (Fenster mit Unterlicht, franz. Balkon mit Glasbrüstung, o.ä.) das Gewebe nicht über die gesamte Elementhöhe nötig ist.
Anschlagseite
Türen werden je nach Anschlagseite (Lage der Bänder) als linke Türen (Tür DIN links) oder als rechte Türen (Tür DIN rechts) bezeichnet. Dabei werden die Türen von der Seite aus betrachtet, auf der die Türbänder sichtbar sind und nach der sich das Türblatt öffnet:
Türband auf der rechten Seite = Tür DIN rechts
Türband auf der linken Seite = Tür DIN links
Hinweis:
Insektenschutztüren werden immer von aussen betrachtet, da sie sich immer nach aussen öffnen.
Insektenschutztüren werden immer von aussen betrachtet, da sie sich immer nach aussen öffnen.
Architekturlichte
Fertigmaß der Öffnung für Belichtungselemente in Wänden oder Dächern, gemessen in der Fassadenebene bzw. in der Ebene der Dachhaut (Definition lt. OIB-Richtlinien 2019).
Meist begrenzt durch die Putzschicht, daher umgangssprachlich auch als Putzlichte bezeichnet.
Hinweis:
Abkürzung AL lt. ÖNORM A 6240-2
Abkürzung AL lt. ÖNORM A 6240-2
Ausfall
Der Ausfall beschreibt die maximale Ausfahrlänge einer Markise von der Wand nach vorne bzw. bei Senkrechtmarkisen von oben nach unten. Der Ausfall wird im ausgefahrenen Zustand der Markise von der Wand entlang der Schräge bis zum Ausfallprofil gemessen.
Ausfallprofil / Fallstange
Als Ausfallprofil oder Fallstange wird der vordere Abschluss einer Markise bezeichnet, an dem das Markisentuch endet. Da dies bei Tragrohrmarkisen meist durch eine Stange gebildet wird, wird es auch Fallstange genannt. Neben dem Tuch sind auch die Markisenarme und je nach Modell der Volant oder ein Vertima am Ausfallprofil befestigt. Die Befestigung der Arme am Ausfallprofil erfolgt mit dem so genannten Fallstangenhalter.
Ausgleichsdämmung
Sie dient zum Ausgleich von technisch bedingten, unterschiedlichen Ebenen z.B. an der Rückseite des Raffstorekasten bzw. Schachtes durch beispielsweise Materialunterschiede oder Umbugkanten. Ebenso sorgt sie für einen sauberen Anschluss der Schachtrückseite an die Mauer und für eine zusätzliche Dämmung.
Aussenanlage
Bei einer Aussenanlage ist die Stoffsichtseite lt. Kollektion an der Aussenseite. Ist es gewünscht, dass die Sichtseite nach Innen zeigt, so ist "Stoff gedreht" bei der Bestellung anzugeben.
B
Bajonettsystem
Ein Bajonettverschluss ist eine schnell herstell- und lösbare mechanische Verbindung zweier Teile in ihrer Längsachse. Die Teile werden durch Ineinanderstecken und Bewegen verbunden und so auch wieder getrennt. Das Teil, das über das andere geschoben wird, besitzt einen Längsschlitz, an dessen Ende sich rechtwinklig ein Querschlitz ansetzt. Das andere Teil besitzt dagegen einen Knopf, der in den Querschlitz eingeführt wird und dann die feste Verbindung bewirkt.
Dieses Verbindungssystem wird beispielsweise bei dem VALETTA Insektenschutzplissee für eine rasche und einfache Montage eingesetzt.
Blendentiefe
Die Blendentiefe gibt die gesamte Tiefe der Blende an. Hierzu ist in Bezug auf den Blendenauslass auch der Lamellentyp der Anlage zu beachten, sodass der Raffstore sowie möglicher Insektenschutz hinter der Blende Platz findet und beim Absenken der Anlage nicht streift. Der Blendenauslass ist die tatsächliche Öffnung der Blende.
Hinweis:
Je nach Modell der Blende können die Maße für Umbug, Materialstärke oder inkludierte Teile wie Putznase etc. variieren.
Je nach Modell der Blende können die Maße für Umbug, Materialstärke oder inkludierte Teile wie Putznase etc. variieren.
Blendschutz
Vorrichtung zum Schutz gegen Blendung durch horizontal einfallendes Licht oder Reflexion (Reflexblendung). Vor allem wichtig in Räumen in welchen ein hoher Sehkomfort notwendig ist (z.B.: Büro mit Bildschirmarbeitsplätzen). Unterschiedliche Verordnungen behandeln das Thema Blendschutz: beispielsweise: EU-Bildschirmrichtlinie 90/270/EWG; Bildschirmarbeitsverordnung, Arbeitsstättenverordnung, Unfallverhütungsvorschrift Arbeit an Bildschirmgeräten.
Hinweis:
Obwohl oftmals in der Praxis für unterschiedliche Anforderungen die gleichen Systeme eingesetzt werden, ist es wichtig zwischen Blendschutz und Sonnenschutz zu unterschieden. Ohne Rücksicht auf Wärmeeinstrahlung oder weitere Funktionen kann ein Blendschutz auch raumseitig angeordnet werden.
Obwohl oftmals in der Praxis für unterschiedliche Anforderungen die gleichen Systeme eingesetzt werden, ist es wichtig zwischen Blendschutz und Sonnenschutz zu unterschieden. Ohne Rücksicht auf Wärmeeinstrahlung oder weitere Funktionen kann ein Blendschutz auch raumseitig angeordnet werden.
Bohrung Rollladenführungsschiene
Rollladenführungsschienen können je nach Wunsch mit drei unterschiedlichen Typen von Bohrungen zur Befestigung versehen werden. Entsprechend werden diese mit farblich passenden Kunststoff Abdeck- oder Steckkappen versehen.
Bohrung Rollladenführungsschiene Typ 1
Bohrung 24 mm von Außen. Inklusive passender Kunststoff Abdeckkappe.
Bohrung Rollladenführungsschiene Typ 2
Bohrung 18 mm von Außen. Inklusive passender Kunststoff Abdeckkappe.
Bohrung Rollladenführungsschiene Typ 3
Bohrung 7 mm von Außen. Inklusive passender Kunststoff Abdeckkappe.
Bohrung ZIP-Solidscreen Führungsschiene
Montagevarianten ZIP-Solidscreen Führungsschiene und dazugehörige Bohrung:
- von Vorne (Montage auf Fenster)
- Nische (Montage in Nische)
- Clip (Montage mit Block zum Einklicken)
- ohne Bohrung
Hinweis:
Lieferung erfolgt ohne Montagematerial (Schrauben). Diese sind vom Monteur auf den Montageuntergrund vor Ort abzustimmen.
Lieferung erfolgt ohne Montagematerial (Schrauben). Diese sind vom Monteur auf den Montageuntergrund vor Ort abzustimmen.
C
Color-Ausführung
Bei der Color-Ausführung der Innenjalousie sind die Ober- und Unterleiste sowie die textilen Elemente auf die Lamellenfarbe abgestimmt.
D
Dachsparrenmontage
Die Montage der Anlage erfolgt an einem Sparren der Dachkonstruktion.
Hinweis:
Bei der Montage auf Holz gilt immer Windwiderstandsklasse WWK 0 !
Bei der Montage auf Holz gilt immer Windwiderstandsklasse WWK 0 !
Deckenmontage
Die Montage der Anlage erfolgt an der Decke bzw. einer horizontalen Ebene.
Hinweis:
Bei der Montage muss das Montagematerial auf den jeweiligen Untergrund und seine Beschaffenheit abgestimmt sein!
Bei der Montage muss das Montagematerial auf den jeweiligen Untergrund und seine Beschaffenheit abgestimmt sein!
Deckschalenversatz
Beschreibt den Höhenunterschied/Stufe zwischen z.B.: Kunststoff- oder Holzfenster und der aufmontierten Aluminium –Deckschale. Dieser Versatz kommt zumeist bei Fenstern mit Aluminium Aussenschale vor.
Bei der Erfassung eines AUS-EKRA oder VUS-EKRA kann dieses Maß zusätzlich zum Maß D angegeben werden.
Hinweis:
Auf den Deckschalenversatz ist besonders bei der Montage der Schächte und deren Anschluss zu achten.
Auf den Deckschalenversatz ist besonders bei der Montage der Schächte und deren Anschluss zu achten.
Dyneema Seil
Dyneema ist eine synthetische Chemiefaser auf der Basis von Polyethylen mit ultrahoher Molekülmasse. Das Material besitzt eine extrem hohe Zugkraft und ist sehr beständig gegen Abrieb, Feuchtigkeit und UV-Strahlung. Dyneema Seile sind außerdem sehr leicht und flexibel und verfügen über eine lange Lebens- bzw. Nutzungsdauer.
E
Einfassband
Das Einfassband umschließt die Außenkante des Markisenstoffes beim Volant und sorgt für einen sauberen Abschluss. Im Standard wird für jedes Markisentuch Dessin der passende Einfassstoff verwendet. Alternativ können Sie auch aus unserer Auswahl an Einfassbänder wählen um zum Beispiel einen Kontrast zu erzielen.
Einputzmass
Gibt an um wieiviel mm der Fensterstock beidseitig eingeputzt bzw. überputzt wird.
Hinweis:
Empfohlene Standard-Vorgabe ist hier 15 mm.
Empfohlene Standard-Vorgabe ist hier 15 mm.
EKRA-MINI
Die Ausführung EKRA-MINI bezeichnet eine kleinere und kompaktere Variante des EKRA-Schachts im Typ AUS oder VUS. Diese ist speziell für Fassadenaufbauten mit geringer Tiefe oder Renovierungen konzipiert und als Unterputz- oder Sichtschacht Variante möglich.
Hinweis:
Nur möglich mit EKRA Lamellentyp C80 oder Z75. Ausführung EKRA-AUS-MINI nicht mit integriertem Insektenschutz ERCI-H /-NF möglich. Die Schachttiefe variiert im Maß leicht je nach Ausführung.
Nur möglich mit EKRA Lamellentyp C80 oder Z75. Ausführung EKRA-AUS-MINI nicht mit integriertem Insektenschutz ERCI-H /-NF möglich. Die Schachttiefe variiert im Maß leicht je nach Ausführung.
Endlage
Als Endlage wird der Punkt bezeichnet bei dem ein Rollladen, Raffstore oder eine Markise ganz geöffnet bzw. geschlossen ist. Es wird zwischen oberer und unterer Endlage unterschieden. Ist ein Rollladen oder Raffstore völlig geöffnet (nach oben gefahren) wird dies als obere Endlage bezeichnet. Als untere Endlage bezeichnet man den Punkt an dem der Rollladen oder Raffstore völlig geschlossen und nach unten gefahren ist.
Bei einer Markise wird der Punkt an dem die Markise völlig ausgefahren ist als untere Endlage bezeichnet – der Punkt an dem die Markise eingefahren ist als obere Endlage.
Endlosschnurzug
Endloszug zum manuellen Heben und Senken des Behangs mit 2,6:1 Untersetzungsgetriebe. Endlosschnurlängen je nach Elementhöhe 100 / 125 / 150 / 175 / 200 / 225 / 300 / 350 (gestreckte Länge in weiss-schwarz meliert). Durchführungsbeschlag mit Doppel-Umlenkrolle und Schnurhalter.
Endrastung
Die Endrastung fixiert den unteren Anschlag des Insektenschutzrollos. Sie ist höhenverstellbar und kann somit in ihrer Position individuell eingestellt werden.
Ersatzteil
Als Ersatzteile bezeichnet man Bauteile, die defekte oder verschlissene Bauteile eines Produktes ersetzen.
Hinweis:
Es wird empfohlen nur Originalersatzteile zu verwenden um eine einwandfreie Funktion zu gewährleisten. Farbabweichungen bei Ersatzteilnachbestellungen zwischen bestehenden und Ersatzteilen (Kunststoffteile und beschichtete Oberflächen) sind Material-, Fertigungstechnisch bzw. Witterungstechnisch bedingt und nicht ausgeschlossen.
Es wird empfohlen nur Originalersatzteile zu verwenden um eine einwandfreie Funktion zu gewährleisten. Farbabweichungen bei Ersatzteilnachbestellungen zwischen bestehenden und Ersatzteilen (Kunststoffteile und beschichtete Oberflächen) sind Material-, Fertigungstechnisch bzw. Witterungstechnisch bedingt und nicht ausgeschlossen.
F
Farbwiedergabeindex
Der Farbwiedergabeindex, abgekürzt mit Ra für Referenzindex allgemein, gibt an mit welcher Qualität die natürlichen Farben von Gegenständen wiedergegeben werden. Er wird auch CRI-Index aus dem Englischen für Colour Rendering-Index bezeichnet.
Der Farbwiedergabeindex ist ein Qualitätsmerkmal von künstlichem Licht gegenüber Sonnenlicht.
Im Vergleich zeigt der Wert 100 eine optimale Farbwiedergabe an (Sonnenlicht) und beispielsweise der Wert 80 bis 90 die Farbwiedergabe bei Licht von Leuchtstofflampen oder Energiesparlampen.
Fc-Wert
Der Fc-Wert wurde 01/2019 durch den gtot-Wert ersetzt bzw. abgeschafft.
Irrtümlicher Weise wurde der Fc-Wert häufig als Abschattungswert des Sonnenschutzes betrachtet. Um es für die Industrie und die Planer zu vereinfachen wurde entschieden in der Norm nur noch den g-tot anzugeben. FC-Wertberechnungen sind somit obsolet.
Siehe Informationen gtot Gesamtenergiedurchlass.
Federmotor
Die VALETTA Federliftmechanik ermöglicht ein kontrolliertes, gleichmäßiges und besonders sanftes Aufwickeln des Behanges. Die Feder kann beim ISR von außen ohne Öffnen der Kassette nachgespannt bzw. entspannt werden.
Hinweis:
Der Federmotor ist bei ISR und RCI mit Noppenführung standardmäßig integriert. Bei Ausführungen ohne Noppenführung optional.
Der Federmotor ist bei ISR und RCI mit Noppenführung standardmäßig integriert. Bei Ausführungen ohne Noppenführung optional.
Federschließer - Softschließer
Der Federschließer oder Softschließer ist standardmäßig im Türscharnier integriert und sorgt für ein automatisches, sanftes und sicheres Schließen der Insektenschutztüre.
Feinstruktur
Eine Feinstrukturoberfläche bietet gegenüber einer glatten Oberfläche den Kontrast und die Variation einer Mikrostruktur. Die Feinstruktur kaschiert im Unterschied zu glatt verlaufenden Oberflächen vorhandene Ungleichheiten und unterschiedliche Lichtreflexionen auf dreidimensionalen Flächen. Ein Vorteil der Feinstruktur Optik besteht darin, dass die Wahrnehmung der Oberfläche durch das Auge, leichte etwaige Verschmutzungen oder kleinen Beschädigungen die im Lauf der Zeit entstehen können verdeckt.
Hinweis:
Ihr VALETTA Vorteil inklusive - Feinstruktur Design-Farben ohne Aufpreis!
Ihr VALETTA Vorteil inklusive - Feinstruktur Design-Farben ohne Aufpreis!
Fenstermontage
Montage des Elementes von vorne auf das Fenster. Bei Anlagen mit Führungsschienen, Bohrung für Halteschrauben durch die Führungsschienen von vorne auf das Fenster.
Hinweis:
Beachten ob ausreichend Platz zur Befestigung gegeben ist, sowie eventuelle Kombinationen mit anderen Anlagen.
Beachten ob ausreichend Platz zur Befestigung gegeben ist, sowie eventuelle Kombinationen mit anderen Anlagen.
Fenstermontage Bohrung Aussen
Montage des Elementes von vorne auf das Fenster. Bohrung im Bereich des Rahmens Aussen mit Abdeckkappe.
Fenstermontage Bohrung Innen
Montage des Elementes von vorne auf das Fenster. Bohrung im Bereich des Rahmens Innen (Lasche) mit Abdeckkappe.
Fertigmass
Fertige Breite oder Fertige Höhe aller umfassenden Bauteile der Anlage.
Das Fertigmaß beinhaltet alle Bauteile. Beispielsweise Breite eines Rollladen oder Raffstores bis zur Führungsschienen Aussenkante.
Hinweis:
Ausgenommen sind separierte Einputzprofile (SEPE, SEPF, SEPE-ISS) bei einer Führung mit Softführungsschiene. Hier wird die Stärke von 2 x 1,5 cm in der Breite zur fertigen Breite (Schienenaussenmass) hinzugerechnet (Fertige Breite + 3 cm).
Ausgenommen sind separierte Einputzprofile (SEPE, SEPF, SEPE-ISS) bei einer Führung mit Softführungsschiene. Hier wird die Stärke von 2 x 1,5 cm in der Breite zur fertigen Breite (Schienenaussenmass) hinzugerechnet (Fertige Breite + 3 cm).
Flachnutwelle
Stahl-Nutrohr für Markisen aus feuerverzinktem Stahl mit Flachnut zur Aufnahme eines Kunststoffkeders.
Freistehende Montage
Montagevariante für Pergolamarkisen. Die Anlage wird auf Stehern frei (ohne Montage an Wand oder Decke) am Boden montiert.
Hinweis:
Es ist ein entsprechender Untergrund vorzusehen (betoniertes Fundament) bzw. auf diesem auf die entsprechende Befestigung zu achten.
Es ist ein entsprechender Untergrund vorzusehen (betoniertes Fundament) bzw. auf diesem auf die entsprechende Befestigung zu achten.
fRsi Temperaturfaktor
Der Temperaturfaktor fRsi beschreibt die wärmedämmende Qualität von Außenbauteilen und ist ein Kennwert um die Gefahr von Schimmelpilzbildung an einer Konstruktion abschätzen zu können. Definiert ist der Temperaturfaktor fRsi als Temperaturdifferenz zwischen raumseitiger Oberflächentemperatur und Außenlufttemperatur bezogen auf die Temperaturdifferenz zwischen Innen- und Außenluft.
Mindestanforderung nach ÖNORM B 8110-2. Die Mindestanforderung für den fRsi-Wert dient zur Vermeidung von Schädigungen der Bausubstanz durch Tauwasserausfall. Hierfür gilt: fRsi ≥ 0,71. Das heißt je näher der Wert an 1 ist umso besser ist dieser.
Führungsschienenkappe
Dient zum unteren Abschluss der Rollladenführungsschiene und als unterer Anschlag für den Rollladenpanzer. Hochweetiges Material aus Zink-Druckguss einbrennlackiert.
Führungsschienenschrägschnitt
Optional kann bei der Ausführung der Führungsschiene ein Schrägschnitt gewählt werden. (Standard Ausführung gerade 0°). Mit einem Schrägschnitt kann die Schiene dem Gefälle der Fensterbank oder des Terrassenbodens angepasst werden. Die Optionen 2° für Türen und 5° für Fenster sind ohne Aufpreis. Alle anderen Grade bis maximal 10° sind auf Wunsch mit Aufpreis möglich (Artikel SONGRAD).
Führungsschienenüberlänge
Die Führungsschienenüberlänge gibt an, um wieviel die Länge der Führungsschienen über die Größe des Behangs hinausreicht. Standardmäßig reicht der Behang bis zur Anlagenunterkante. Ist es jedoch gewünscht, dass zum Beispiel aus optischen oder anderen Gründen die Führungsschienen darüber hinausreichen, so ist dieses Mass, welches über die tatsächliche Anlagenhöhe mit Behang hinausreicht als Führungsschienenüberlänge anzugeben.
Hinweis:
Die Massangabe betrifft immer beide Führungsschienen.
Die Massangabe betrifft immer beide Führungsschienen.
Führungsschienenüberlänge ISS114
Bei dem Modell ISS114 und ISS114-OGL gibt es die Möglichkeit zusätzlich zur Elementbreite eine Führungsschienenüberlänge anzugeben, wenn es gewünscht ist, dass die Führungsschiene über die gesamt Breite durchgehend ist. Dies ist von Vorteil, wenn beispielsweise die gewünschte Durchgangslichte bzw. Türbreite geringer ist als die halbe Elementbreite.
Zur Berechnung wird hier die doppelte gewünschte Türbreite als Elementbreite angegeben und um die Führungsschienenüberlänge verlängert.
Beispiel:
gleichmäßige dreiteilige Glasfront Gesamtbreite 3000 mm, mit einem Türflügel von 1000 mm, hier kann eine Elementbreite von 2000 mm verwendet werden und zusätzliche eine Führungsschienenüberlänge von 1000 mm um auf die Gesamtbreite von 3000 mm zu gelangen.
Hinweis:
Die Länge der eingegebenen Elementbreite muss hierbei mindestens die doppelte Türbreite betragen.
Die Länge der eingegebenen Elementbreite muss hierbei mindestens die doppelte Türbreite betragen.
G
Griffhöhe
Die Griffhöhe wird von der Element Unterkante bis zur Griffoberkante angegeben. Der Standard ist hier 1100 mm. Die Höhe der Griffleiste beträgt 78 mm die Höhe eines Muschelgriffes 54 mm.
Griffseite Schiebetür
Laut Norm werden Schiebetüren von der Seite der Laufschiene bzw. Montageschiene betrachtet. Bei Insektenschutztüren ist dies immer von Aussen.
Links oder rechts definiert sich somit ob von Aussen gesehen die Schiebetür nach links oder rechts geschoben wird. Wird die Tür nach links geschoben ist der Griff rechts montiert bzw. umgekehrt.
gtot Gesamtenergiedurchlass
Der Gesamtenergiedurchlassgrad (g-Wert) gibt an, wie viel von der auf ein transparentes Bauteil einstrahlenden solaren Energie in den dahinterliegenden Raum abgegeben wird. Der g-Wert gibt den Energiedurchlass einer Verglasung ohne Sonnenschutz an. Der gtot ist der Energiedurchlassgrad einer Verglasung in Kombination mit einer Sonnenschutzvorrichtung. Der Wert von g bzw. gtot liegt zwischen 0 (0%) und 1 (100%). Der Wert 0 bedeutet, dass keine Strahlung in den Raum eindringt, 1 hingegen, dass die gesamte Strahlung im Raum wirksam wird. Der g-Wert wird entsprechend EN 410 ermittelt. Zur Berechnung des gtot gibt es zwei Berechnungs-Modelle: Entweder ein vereinfachtes Verfahren nach EN 13363-1oder das detaillierte Verfahren nach EN 13363-2.
Hinweis:
Die entsprechenden g-tot Werte findet man beispielsweise unter den technischen Angaben von textilen Stoffen wo sie zumeist tabellarisch aufgelistet sind. Weitere Informationen unter: https://bvst.at/planer-experten/handb%C3%BCcher/den-sonnenschutz-richtig-planen
Die entsprechenden g-tot Werte findet man beispielsweise unter den technischen Angaben von textilen Stoffen wo sie zumeist tabellarisch aufgelistet sind. Weitere Informationen unter: https://bvst.at/planer-experten/handb%C3%BCcher/den-sonnenschutz-richtig-planen
Gurtantrieb
Mechanischer Gurtwickler zum manuellen Heben und Senken des Rollladenpanzers. Man unterscheidet je nach Einbauweise zwischen Aufputz- und Unterputzgurtwickler.
Es wird ein Gurtband das mit einer Feder im Gurtwickler gespannt ist um die Gurtscheibe, welche auf der Rollladenwelle befestigt ist gewickelt. Beim Ziehen am Gurt dreht sich die Welle, und der Rollpanzer wickelt sich auf. Beim Loslassen des Gurtes wickelt sich der Gurt aufgrund seines Eigengewichtes des Panzers wieder ab.
Hinweis:
Achtung: die Elementgrößen bei denen ein Gurtantrieb verwendet werden kann sind begrenzt.
Achtung: die Elementgrößen bei denen ein Gurtantrieb verwendet werden kann sind begrenzt.
H
HWF
Hochwertige Architektur erfordert auf Grund der immer extremeren Umwelteinflüsse, Oberflächen die langfristig hervorragende Licht- und Wetterbeständigkeit aufweisen. Um die Beibehaltung von Glanzgrad und Farbtönen für lange Zeit sicherzustellen, wird die HWF (hochwetterfeste) Beschichtung immer wichtiger. Sie bietet noch besseren Schutz für beschichtete Aluminiumteile in der Fassade. Die Qualität hochwetterfester Beschichtungen wird nach den Regularien von international anerkannten Güterichtlinien gemäß der GSB International oder Qualicoat und diverser anderer Normen gesichert.
So werden Anforderungen an Glanzgradhaltung, Farbstabilität und Reinigungsfreundlichkeit für alle Standorte und Einsatzbereiche durch HWF Oberflächen nachhaltig erfüllt.
Hinweis:
Hochwetterfeste VALETTA-Farben sind mit dem Kürzel "HWF" gekennzeichnet und stehen für exzellente Wetter- und hohe UV-Beständigkeit. Der Großteil der VALETTA Oberflächen sind standardmäßig in HWF ausgeführt.
Hochwetterfeste VALETTA-Farben sind mit dem Kürzel "HWF" gekennzeichnet und stehen für exzellente Wetter- und hohe UV-Beständigkeit. Der Großteil der VALETTA Oberflächen sind standardmäßig in HWF ausgeführt.
I
Innenanlage
Bei einer Innenanlage ist die Stoffsichtseite lt. Kollektion an der Innenseite. Ist es gewünscht, dass die Sichtseite nach Aussen zeigt, so ist "Stoff gedreht" bei der Bestellung anzugeben.
Hinweis:
Bei Tüchern, bei denen beide Seiten unterschiedliche Farbwirkung haben, ist die Stoffsichtseite zu definieren (siehe dazu auch ZIP-Solidscreen Behangkollektion).
Bei Tüchern, bei denen beide Seiten unterschiedliche Farbwirkung haben, ist die Stoffsichtseite zu definieren (siehe dazu auch ZIP-Solidscreen Behangkollektion).
ISO Material
Hochbelastbarer, hochverdichteter Konstruktionsdämmstoff in Plattenformat. Dieser isolierende Plattenwerkstoff ist nach ISO (Internationale Organisation für Normung) genormt. Es wird für Unterputzschächte und Unterputzblenden verwendet, besitzt eine hohe Formstabilität, ist verrottungsfest, besitzt ein geringes Gewicht und ist nachhaltig recyclebar.
K
Kabelaustritt EASY VORSATZ-RAFF Schacht
Kabelaustritt des Motorkabels. Standard Bohrung 30 mm.
HMO = Hinten Mitte Oben (Standard)
HLO = Hinten Links Oben
HRO = Hinten Rechts Oben
HLRO – Hinten Links und Rechts Oben
SHOR = Seitlich Hinten Oben Rechts
SHOL = Seitlich Hinten Oben Links
SHOLR – Seite Hinten Oben Links und Rechts
OHM – Oben Hinten Mitte
OHL – Oben hinten Links
OHR – Oben hinten Rechts
OHLR – Oben hinten Links und Rechts
Kabelaustritt Rollladen
Kabelaustritt des Motorkabels. Standard 25 mm vom Rand eingerückt.
1 = hinten unten (Standard bei Vorsatz)
2 = hinten oben
5 = oben hinten (Standard bei Unterputz)
8 = seitlich oben
10 = durch BK-Zapfen in die Führungsschiene
Kabelaustritt Sicherheitsrollladen
Kabelaustritt des Motorkabels für Sicherheitsrollladen und Sicherheitstor.
1 = hinten unten (Standard bei Vorsatz)
2 = hinten oben
3 = hinten mitte
4 = oben vorne
5 = oben hinten (Standard bei Unterputz)
6 = vorne oben
8 = seitlich oben
9 = seitlich unten
10 = durch BK-Zapfen in die Führungsschiene
Kabelaustritt ZIP-Fenstermarkise
Kabelaustritt des Motorkabels bei eckiger 90° Kastenausführung.
1 = hinten unten
2 = hinten oben (nicht möglich bei Kombi ZRCI-H / NF)
4 = oben vorne
5 = oben hinten (nicht möglich bei Kombi ZRCI-H / NF)
8 = seitlich oben (nicht möglich bei Kombi ZRCI-H / NF)
(nicht möglich wenn auf Antriebsseite anschließ. Teil)
9 = seitlich unten
(nicht möglich wenn auf Antriebsseite anschließ. Teil)
10 = durch Führungsschiene*
Kabelaustritt ZIP-Solidscreen Eckig
Kabelaustritt des Motorkabels bei eckiger 90° Kastenausführung.
1 = hinten unten
2 = hinten oben
4 = oben vorne
5 = oben hinten
8 = seitlich oben
9 = seitlich unten
10 = durch Führungsschiene*
Hinweis:
Bei Motorkabel durch Führungsschiene kein Hirschmann-Kit möglich! Mindestkabellänge bei Kabel durch Führungsschiene = Anlagenhöhe + 500 mm.
Bei Motorkabel durch Führungsschiene kein Hirschmann-Kit möglich! Mindestkabellänge bei Kabel durch Führungsschiene = Anlagenhöhe + 500 mm.
Kabelaustritt ZIP-Solidscreen Rund
Kabelaustritt des Motorkabels bei runder Kastenausführung.
1 = hinten unten
2 = hinten oben
8 = seitlich oben
9 = seitlich unten
10 = durch Führungsschiene*
Hinweis:
Bei Motorkabel durch Führungsschiene kein Hirschmann-Kit möglich! Mindestkabellänge bei Kabel durch Führungsschiene = Anlagenhöhe + 500 mm.
Bei Motorkabel durch Führungsschiene kein Hirschmann-Kit möglich! Mindestkabellänge bei Kabel durch Führungsschiene = Anlagenhöhe + 500 mm.
Kastenblende hinten geschlossen
Bei den stranggepressten Kastenausführungen RTI und VTI gibt es die Möglichkeit raumseitig den Kasten mit einer Kastenblende zu schließen (Artikel KBG).
Koaxialtechnik
Eine Koaxiales System besteht aus einer „Welle in Welle“ Konstruktion. Dieses Zweiwellen-System sorgt für eine konstante Tuchspannung und für eine Kompensation bzw. einen Längenausgleich der unterschiedlichen Wickeldurchmesser von Tuchwelle und Schnurscheiben mittels innenliegendem Federelement als Verbindung zwischen den Wellen. Das Ergebnis ist ein sauber gespannter geradliniger Sonnenschutz.
Kompaktkeder
Tuch schonend, keine Druckstellen; Formschlüssige Verbindung; Kederschnur voll und fest; Keder wird seitlich eingezogen, Demontage der Welle erforderlich; 1,5-fache Sicherheitsumwickelung
Hinweis:
Verwendung bei LUNA, CLASSIC, ZIP-Beschattungen, ZIP-Solidscreen
Verwendung bei LUNA, CLASSIC, ZIP-Beschattungen, ZIP-Solidscreen
Komplettierung
Vervollständigung (Komplettierung) eines bereits eingebauten ISO ROLLRAFF Sturzkastens mit einem VALETTA Raffstore oder Rollladen.
Koppelung
Bei einer Kopplung sind zwei Elemente mit einander mechanisch verbunden. So können größere Element-Breiten und Abmessungen erzielt werden.
Hinweis:
ROLLLADEN Bei gekoppelten Rollladen Elementen ist der Motor nur am größeren Element möglich. RAFFSTORE Bei gekoppelten Raffstore-Elementen, kann für den Behang kein gleiches Wendeverhalten der Lamellen gewährleistet werden. Es entsteht durch die Koppelung ein unterschiedliches Wickelverhalten der Texbänder, welches neben der unterschiedlichen Wendung auch zu unterschiedlichen Paketpositionen führen kann. Es wird empfohlen den Motor immer in der größeren Anlage zu verwenden!
ROLLLADEN Bei gekoppelten Rollladen Elementen ist der Motor nur am größeren Element möglich. RAFFSTORE Bei gekoppelten Raffstore-Elementen, kann für den Behang kein gleiches Wendeverhalten der Lamellen gewährleistet werden. Es entsteht durch die Koppelung ein unterschiedliches Wickelverhalten der Texbänder, welches neben der unterschiedlichen Wendung auch zu unterschiedlichen Paketpositionen führen kann. Es wird empfohlen den Motor immer in der größeren Anlage zu verwenden!
Kugelkette
Mit Endlosperlkette zum Heben und Senken sowie zum Wenden der Lamellen über ein Planetengetriebe mit vorgelegter Bremse.
Kurbelantrieb
Antrieb zum manuellen Heben und Senken der Anlage mit einem Kurbelgetriebe inkl. Knickkurbel bzw. zum manuellen Einfahren und Ausfahren der Markise.
Hinweis:
Bei einem Raffstore mit Kurbelbedienung kann die angegebene Pakethöhe um 2 cm reduziert werden.
Bei einem Raffstore mit Kurbelbedienung kann die angegebene Pakethöhe um 2 cm reduziert werden.
Kurbellänge
Die Kurbellänge unterscheidet sich je nach Verwendung für Fenster oder Türe sowie je nach Durchführungsbeschlag ob 45° oder 90°. Die Kurbellänge kann in 50 mm Schritten gewählt werden und bezieht sich immer auf die gestreckte Länge.
Durchführungsbeschlag 45°:
Fenster bis 1940 mm = Kurbellänge = Elementhöhe - 200mm
Türen ab 1940 mm = Kurbellänge = Elementhöhe - 1000mm
Durchführungsbeschlag 90°:
Fenster bis 1940 mm = Kurbellänge = Elementhöhe - 300mm
Türen ab 1940 mm = Kurbellänge = Elementhöhe - 1100mm
L
Laibung
Laibung bzw. Mauerlaibung nennt man die seitlichen senkrechten Flächen der Wandöffnung eines Fensters oder Türe.
Hinweis:
Bei tieferen Mauerlaibung von z.B.: 50 cm wird diese schräg ausgeführt um einen besseren Lichteinfall in den Raum zu erlangen. Wird hier ein sogenannter Laibungsstein mit einer Laibungsschräge verwendet so muss dies bei der Angabe eines Sturzkastens ISO ROLLRAFF beachtet werden (Laibungsschrägschnitt, mit Skizze). Ebenso bei den Angaben einer Komplettierung zur korrekten Erfassung der Schlitzabdeckung.
Bei tieferen Mauerlaibung von z.B.: 50 cm wird diese schräg ausgeführt um einen besseren Lichteinfall in den Raum zu erlangen. Wird hier ein sogenannter Laibungsstein mit einer Laibungsschräge verwendet so muss dies bei der Angabe eines Sturzkastens ISO ROLLRAFF beachtet werden (Laibungsschrägschnitt, mit Skizze). Ebenso bei den Angaben einer Komplettierung zur korrekten Erfassung der Schlitzabdeckung.
Leiterkordel
Verwendung bei Jalousie und Raffstore mit C50, C65 C80 oder C80F Lamelle. Die einzelnen Lamellen sind auf der Leiterkordel aufgefädelt und werden von dieser Oben und Unten von den Leiterstegen umfasst.
Lichte Höhe
Fertigmaß der Öffnung für Belichtungselemente in Wänden oder Dächern, gemessen in der Fassadenebene bzw. in der Ebene der Dachhaut. (Definition lt. OIB-Richtlinien 2019)
Lichtmass
Das lichte Maß (Lichtmaß) steht für die Öffnung bzw. den Innenabstand von beispielsweise Fensterstock, Fensterrahmen, Türrahmen oder den Abstand der Innenseiten zwischen zwei Elementen.
Die Durchgangslichte beschreibt den freien Abstand in der Breite und Höhe der durchschritten werden kann. Es gibt auch die Bezeichnung der Glaslichte, diese beschreibt die tatsächliche Lichteintrittsfläche bei einem Fenster.
Linksroller
Bei einem Linksroller ist die gewölbte (konvexe) Seite des Panzer-Profilstabes der Raumseite zugewandt, bei einem Rechtsroller abgewandt. Der Behang wird zum Raum abgewickelt.
Hinweis:
Bei VALETTA ist der Rollladen Standardmäßig als Linksroller ausgeführt.
Bei VALETTA ist der Rollladen Standardmäßig als Linksroller ausgeführt.
Lsb2D
Der thermische Leitwert ist der Quotient aus dem längenbezogenen Wärmestrom und der Temperaturdifferenz zwischen zwei Räumen, die durch die betrachtete Konstruktion verbunden sind. Dadurch stellt der Leitwert die Wärmeverluste durch diese Konstruktion dar.
M
Magnetkrallenkeder
rasche Demontage ohne Wellentausch, alter Keder kann in der Welle bleiben; 2-fache Sicherheitsumwickelung
Hinweis:
Einsatz nur bei Stahlwellen möglich; nicht geeignet für HAI-/BAH-/CUB-ZIP; bis max. Breite 690 cm; nicht möglich bei LUNA Markise; kein VALETTA Standard-Keder, Verwendung ohne Empfehlung
Einsatz nur bei Stahlwellen möglich; nicht geeignet für HAI-/BAH-/CUB-ZIP; bis max. Breite 690 cm; nicht möglich bei LUNA Markise; kein VALETTA Standard-Keder, Verwendung ohne Empfehlung
Maschenweite
Die Öffnungen in einem Metallgewebe werden durch die Maschenweite und den Drahtdurchmesser definiert. Diese bezeichnet den Abstand zwischen zwei Kett- oder Schussdrähten.
Mass A
Das Maß A gibt die Stärke/Dicke des Fensterfalzes an und bestimmt somit die Länge der Einhängehaken. Die Einhängehaken sind in Typen O und X sowie 1- 8 unterteilt und von 3 – 43 mm verfügbar.
Mass E
Breite des verschiebbaren Flügels von aussen gesehen. Bei einem Element mit zwei Schiebeelementen gibt das Mass E die Breite des rechten Flügels an. Wir das Mass E nicht definiert so wir das Element standardmäßig symmetrisch aufgeteilt.
Mass W
Gibt den Abstand zwischen Fensterbank und Wetterschenkel an. Wird beispielsweise für die Bestellung eines Insektenschutzfestrahmens ISS108 in Kombination mit einem Rollladen benötigt.
Mass Y
Das Mass Y gibt den Abstand bzw. die Länge des Y-Halters an. Dieses wir in Abhängigkeit mit dem Mass Z ermittelt.
Mass Z
Das Maß Z gibt die Distanz zwischen Wand und Achse Führungsschiene an.
Mesh
Das Mesh (engl. für Masche) ist eine Einheit der Gewebefeinheit und bezeichnet die Anzahl der Maschen in Kett- und Schussrichtung pro englischem Zoll.
Motorantrieb mit drahtgebundener Steuerung
Elektronischer Motorantrieb 230V zum Heben und Senken sowie zum Wenden der Lamellen. Motor in Oberleiste eingebaut zum bauseitigen Anschluss. Steuerung drahtgebunden.
Motorantrieb mit Funksteuerung
Elektronischer Motorantrieb 230V zum Heben und Senken sowie zum Wenden der Lamellen. Motor in Oberleiste eingebaut zum bauseitigen Anschluss. Steuerung mit Funkhandsender oder Funkwandsender bzw. Smarthome Steuersystem.
N
Nischenmontage
Montage des Elementes in die Laibung des Fensters oder der Türe. Befestigung über seitliche Bohrung in der Führungsschiene oder Montagewinkel.
Hinweis:
Beachten ob ausreichend Platz zur Befestigung gegeben ist sowie ob die Tiefe der Laibung und eventuelle Kombinationen mit anderen Anlagen.
Beachten ob ausreichend Platz zur Befestigung gegeben ist sowie ob die Tiefe der Laibung und eventuelle Kombinationen mit anderen Anlagen.
Noppenführung-NF
Die VALETTA Noppenführung sorgt dafür, dass bei rollbarem Insekten- oder Sonnenschutz selbst bei starkem Wind der Behang in der Führungsschiene fixiert bleibt. So erhält der Behang einen sicheren Lauf in der Führungsschiene und eine besonders hohe Windstabilität.
Hinweis:
Bei einer Noppenführung ist keine Zwischenrastung möglich.
Bei einer Noppenführung ist keine Zwischenrastung möglich.
Nothandkurbel
Mittels einer Nothandkurbel lässt sich im Falle eines Stromausfalls der Rollladen oder das Garagentor auch per Hand bedienen. Diese Vorrichtung ist vorgeschrieben, wenn der Raum oder die Garage nicht über einen zweiten Ausgang verfügt.
Ö
Öffnungsfaktor
Der Öffnungsfaktor gibt an wie hoch der Anteil von Öffnungen in einem Gewebe ist und wird in Prozent angegeben. Ein Gewebe mit 1% Öffnungsfaktor bietet wenig Durchblick, ein Gewebe mit Öffnungsfaktor 5% hingegen bietet mehr Durchblick. Der Öffnungsfaktor wird auch mit OF bzw. CO abgekürzt.
P
Pakethöhe
Die Pakethöhe ergibt sich aus dem Zusammenlegen der Lamellen im eingefahrenen Zustand der Jalousie bzw. Raffstores inkl. der Oberleiste. Die Pakethöhe ist abhängig von der Gesamthöhe der Jalousie / Raffstore, sowie der gewählten Lamellenform, Lamellenbreite und Führungsart (Schiene oder Seil). Je breiter und flacher die Lamelle umso geringer die Pakethöhe. Ebenso hat eine saubere und präzise Schlaufenlage entscheidenden Einfluss auf die Höhe des Paketes.
In den technischen Unterlagen finden Sie Richtwerte für die Pakethöhen aller Außenjalousien und Raffstore. Aus diesen Daten resultieren auch die jeweils empfohlenen Blendenhöhen bzw. Schachthöhen.
Das VALETTA Paketmass beinhaltet das Raffstorepaket bei Ausführung mit Motor und ist inklusive Montagebügel. Bei Ausführung mit Kurbel kann die Pakethöhe um - 20 mm reduziert werden.
Hinweis:
Nachdem die obere Endlage eingestellt wurde, ist es möglich, dass sich das Paket nach einiger Zeit nach Unten „Absetzt“. Dies ist bei einer Ausführung mit Standardmotor aus technischen Gründen nicht zu verhindern. Besonders in der Anfangsphase ist dieses Absetzen stärker. Bei Raffstoren / Jalousien die mit einem Protect Motor ausgestattet sind wird dieses Absetzen über eine Autokorrektur ausgeglichen und ein nahezu gleichbleibendes Paketniveau gewährleistet.
Nachdem die obere Endlage eingestellt wurde, ist es möglich, dass sich das Paket nach einiger Zeit nach Unten „Absetzt“. Dies ist bei einer Ausführung mit Standardmotor aus technischen Gründen nicht zu verhindern. Besonders in der Anfangsphase ist dieses Absetzen stärker. Bei Raffstoren / Jalousien die mit einem Protect Motor ausgestattet sind wird dieses Absetzen über eine Autokorrektur ausgeglichen und ein nahezu gleichbleibendes Paketniveau gewährleistet.
Paketseite
Die Paketseite wird von der Ansicht von aussen definiert. Befindet sich das Paket von aussen gesehen auf der rechten Seite und wird nach Links gezogen – so ist es eine Rechte Tür bzw. umgekehrt.
PSI-Wert
Der Psi-Wert (Ψ)ist ein längenbezogener Wärmedurchgangskoeffizient, der die Wärmebrücken eines Bauteils beschreibt. Je niedriger der Wert umso besser die Wärmedammeigenschaften. Der Psi-Wert wird in W/mK gemessen.
Der Psi-Wert wird aus dem Usb-Wert errechnet.
Usb-Wert siehe Zertifikate.
PSI = Usb *Höhe Kasten Einheit: W/K m
Die Kastenhohe des ISO ROLLRAFF betragt einheitlich 30 cm W = Watt K = Kelvin m = Meter.
Putznase
Die Putznase sorgt für einen sauberen, gezielten und stabilen Abschluss der verputzen Fassade.
Q
Querverarbeitung
Bei der Querverarbeitung verlaufen die Schussfäden in Ausfallrichtung und die Kettfäden horizontal (Bahnenbreite in Anlagenhöhe verarbeitet).
Bei Soltis und Screens werden die Stoffbahnen (Kettrichtung) standardmäßig quer zur Ausfall- bzw. Ausfahrrichtung gefertigt. Die Restbahn ist im Standard immer oben.
Hinweis:
Durch die Anbindung an Tuchwelle und Quernähte entsteht an diesen Stellen bei der Anlage eine Aufdickung des Behangs. Dies kann sich (durch das Wickeln) als Querabdruck im Tuch abzeichnen und ist technisch nicht vermeidbar. Diese Effekte haben keinen Einfluss auf die Qualität, die Funktion oder die Lebensdauer der Tücher.
Durch die Anbindung an Tuchwelle und Quernähte entsteht an diesen Stellen bei der Anlage eine Aufdickung des Behangs. Dies kann sich (durch das Wickeln) als Querabdruck im Tuch abzeichnen und ist technisch nicht vermeidbar. Diese Effekte haben keinen Einfluss auf die Qualität, die Funktion oder die Lebensdauer der Tücher.
R
Rapport
Unter einem Rapport, im allgemeinen Sprachgebrauch auch Muster genannt, versteht man ein sich wiederholendes, flächenfüllendes Element zur Oberflächengestaltung, das durch Webart, Färben oder Bedrucken erzeugt wird. Bei der Stückelung einer gemusterten Oberfläche muss der Versatz des Musters beachtet werden, ab welchem sich das Muster wiederholt.
Rasterbreite
Die Rasterbreite gibt das Maß von Achse zu Achse der Montagekonsole an. Beispielsweise bei einem Wintergartendach von Sparrenmitte zu Sparrenmitte an der zu befestigenden Konstruktion. Die Rasterbreite ist vor allem bei Bestellungen/Montagen von Beschattungen mit Abstandhaltern oder Montageträgern von Bedeutung (hier gilt Rasterbreite = Bestellmass).
Hinweis:
Die tatsächliche gesamte Anlagenbreite ist Größer als die Rasterbreite.
Die tatsächliche gesamte Anlagenbreite ist Größer als die Rasterbreite.
REACH Verordnung
Die REACH Verordnung ist seit 2007 in Kraft und soll ein hohes Schutzniveau für die menschliche Gesundheit und die Umwelt sicherstellen. Sie soll gleichzeitig den freien Verkehr von Chemikalien auf dem Binnenmarkt gewährleisten und Wettbewerbsfähigkeit und Innovation fördern.
Das Kürzel „REACH“ leitet sich aus dem englischen Titel der Verordnung ab: Regulation concerning the Registration, Evaluation, Authorisation and Restriction of CHemicals. Die REACH-Verordnung gilt als eines der strengsten Chemikaliengesetze der Welt.
Rechtsroller
Bei einem Rechtsroller ist die hohle (konkave) Seite des Panzer-Profilstabes der Raumseite zugewandt, bei einem Linksroller ist dies genau umgekehrt.
Hinweis:
Die Tiefe der Mauerlaibung muss für den Rechtsroller mindestens der Kastentiefe entsprechen, da die Führungsschienen sonst vor der Laibung stünden und dann keine Befestigung in der Nische mehr möglich ist.
Die Tiefe der Mauerlaibung muss für den Rechtsroller mindestens der Kastentiefe entsprechen, da die Führungsschienen sonst vor der Laibung stünden und dann keine Befestigung in der Nische mehr möglich ist.
Restbahn
Bei der Verarbeitung von Screen und Soltis, die im Standard Quer erfolgt, steht nur eine durch die Bahnenbreite begrenzte Höhe zur Verfügung. Hier muss der Stoff genäht bzw. geschweißt werden. Die Restbahn ist das zu ergänzende Stück um die gewünschte Höhe zu erreichen. Standardmäßig wird dir Restbahn oben verarbeitet. Optional kann die Restbahn aber auch unten gewählt werden.
Hinweis:
Bei gewissen Anlagenhöhen ist zu beachten das eine Restbahn oben auch genau in Augenhöhe verlaufen kann. Hier kann alternativ auch die Option Restbahn unten gewählt werden.
Bei gewissen Anlagenhöhen ist zu beachten das eine Restbahn oben auch genau in Augenhöhe verlaufen kann. Hier kann alternativ auch die Option Restbahn unten gewählt werden.
Rundkeder
Der Markisenstoff wird mit einem Hohlsaum versehen, in welchem ein Kunststoffschlauch (Keder) geführt ist. Der Saum wird mit dem Schlauch in das Kederprofil (z.B. der Tuchwelle) eingezogen und somit ist das Tuch fixiert. Formschlüssige Verbindung mit der Welle; KEder wird seitlich eingezogen; Demontage der Welle erforderlich; 1,5-fache Sicherheitsumwicklung
Hinweis:
Verwendung bei LIDO, LHK
Verwendung bei LIDO, LHK
Rundnutwelle
Stahl-Nutrohr für Markisen aus feuerverzinktem Stahl mit Rundnut zur Aufnahme eines Kunststoffkeders 6 mm des Markisentuches.
S
Schachtauslass
Der Schachtauslass beschreibt die tatsächliche Schachtöffnung. Diese ist in Bezug auf den Behang relevant - es muss beachtet werden, dass der gewünschte Behangtyp Platz findet.
Schachteinbau
Der Sonnenschutzbehang (Raffstore, …) wird in einen bauseits bereits vorhandenen Schacht eingebaut.
Hinweis:
Hier sind die Abmessungen des bestehenden Schachtes zu beachten und zu prüfen.
Hier sind die Abmessungen des bestehenden Schachtes zu beachten und zu prüfen.
Schachthöhe
Die Schachthöhe gibt die gesamte Höhe des Schachtes an. Hierzu ist die Pakethöhe der Anlage zu beachten, sodass der Raffstore im geschlossenem Zustand völlig im Schacht verschwindet.
Hinweis:
Ebenso zu beachten ist der Schachtauslass in Kombination mit dem verwendetem Lamellentyp und Insektenschutz Kombinationen.
Ebenso zu beachten ist der Schachtauslass in Kombination mit dem verwendetem Lamellentyp und Insektenschutz Kombinationen.
Schachtmass A
Standard 144 mm; optional 100 - 220 mm; Schachtauslass = Mass A - 4 mm
Schachtmass B
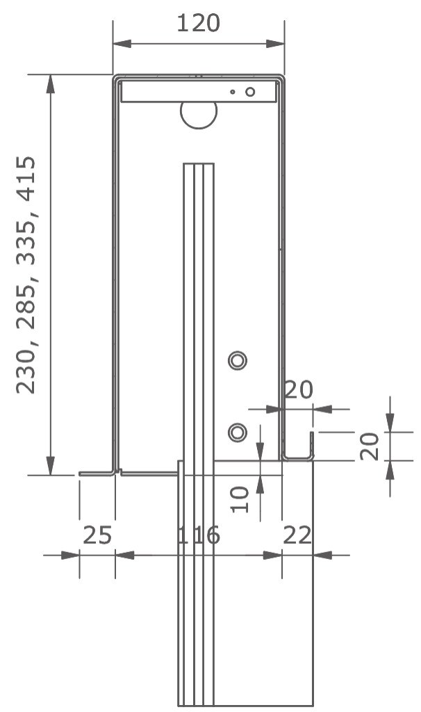
Beschreibt die vordere und hintere Höhe des Schachtes bei gleicher Höhe von vorne (B1) und hinten (B2). Höhe Mindestmaß 150 mm Maximalmaß 415 mm.
Schachtmass B1
Beschreibt die vordere Höhe des Schachtes (B1). Höhe Mindestmaß 150 mm Maximalmaß 415 mm.
Schachtmass B2
Beschreibt die hinteren Höhe des Schachtes (B2). Höhe Mindestmaß 150 mm Maximalmaß 415 mm.
Schachtmass D
Bei Schachttyp VUS abhängig von der Materialstärke der Dämmung. Standard Dämmungsdicke + 5 mm.
Hinweis:
Bei weicher Dämmung ist auch ein um 5 mm kleineres Mass möglich. Bei einem kleineren Mass muss die Dämmung gestaucht werden.
Bei weicher Dämmung ist auch ein um 5 mm kleineres Mass möglich. Bei einem kleineren Mass muss die Dämmung gestaucht werden.
Schachtmass E
Standard 25 mm; optional Sondertiefe 5 - 50 mm
Hinweis:
Bei Auswahl Sondertiefe die Materialstärke des Putzträgers beachten.
Bei Auswahl Sondertiefe die Materialstärke des Putzträgers beachten.
Schachtmass F
Standard 30 mm; optional 20 - 60 mm
Schachtmass G
Standard 15 mm; optional Sonderumbug 16 - 80 mm
Schachtmass H
Standard 15 mm; optional Sonderumbug 16 - 80 mm
Schachttiefe
Die Schachttiefe gibt die gesamte Tiefe des Schachtes an. Hierzu ist in Bezug auf den Schachtauslass auch der Lamellentyp der Anlage zu beachten, sodass der Raffstore sowie möglicher Insektenschutz im Schacht Platz findet und beim Absenken der Anlage nicht streift. Der Schachtauslass ist die tatsächliche Öffnung des Schachtes.
Schachttiefe Aussenmass
Beschreibt das Aussenmass des Schachts ohne Dämmung und ohne Putznase oder Umbug nach Aussen. Äusseres Maß des Schachtes / Kasten.
Schlagregendichtheit
Unter dem Begriff Schlagregendichtheit wird die Widerstandsfähigkeit eines Fensters, Tür oder Baukörpers gegen das Eindringen von Feuchtigkeit verstanden, und zwar verursacht durch Wind, Regen und andauernde Beanspruchung.
Im Bereich des Sonnenschutzes liegt hier der Fokus auf dem Anschluss zwischen Führungsschiene und Fenster. Führungsschienen mit glatter Außenform erfordern auf Grund der Kapillarwirkung eine Abdichtung zwischen Führungsschiene und Fenster. Führungsschienen mit einer Kammer oder sogenannten Wirbelnut an der Anschlussseite zwischen Fenster und Führungsschiene sind durch diese Kammerausführung schlagregensicher (beispielsweise Raffstoreführungsschiene UPF80 & UPF109).
Schlaufenkordel
Die Schlaufenkordel (Tragband) kommt bei Verbundraffstore zum Einsatz. Hier wird die Schlaufenkordel seitlich an der Lamelle mittels Schlaufe am Haken befestigt. Sie sorgt für ein gleichmäßiges Paketierverhalten.
VALETTA verwendet für das Einhängen der Schlaufen an der Lamelle hochwertige Edelstahlverbinder (Haken).
Schliesskantensicherung
Die Schliesskantensicherung erfolgt mittels elektromechanischer Kontaktleiste (EKL).
Wird die Schliesskantensicherung während einer ZU-Fahrt ausgelöst, schaltet die Steuerung in AUF-Richtung um. Bei betätigtem Vorendschalter ZU wird der Antrieb gestoppt.
Hinweis:
Notwendig wenn das Tor mittels Funksender ohne Einsicht auf das Tor gesteuert werden kann.
Notwendig wenn das Tor mittels Funksender ohne Einsicht auf das Tor gesteuert werden kann.
Schlitzabdeckung
2-teiliges, stanggepresstes Aluminiumprofil zum Verdecken des Schlitzes zwischen Behang und Putznase. Die Grundplatte wird mit der Putznase verschraubt und das Abdeckungsprofil wird eingeschoben. Geeignet zur Abdeckung von Schlitzen ab mind. 7 cm bis max. 9 cm.
Schnurantrieb
Mechanischer Schnurwickler zum manuellen Heben und Senken des Rollladenpanzers. Man unterscheidet je nach Einbauweise zwischen Aufputz- und Unterputzschnurwickler.
Es wird eine Schnur die mit einer Feder im Schnurwickler gespannt ist um die Gurtscheibe, welche auf der Rollladenwelle befestigt ist gewickelt. Beim Ziehen an der Schnur dreht sich die Welle, und der Rollpanzer wickelt sich auf. Beim Loslassen der Schnur wickelt sich diese aufgrund seines Eigengewichtes des Panzers wieder ab.
Hinweis:
Es ist zu beachten, dass die Elementgrößen bei denen ein Schnurantrieb verwendet werden kann begrenzt sind.
Es ist zu beachten, dass die Elementgrößen bei denen ein Schnurantrieb verwendet werden kann begrenzt sind.
Schnurzug
Der Schnurzug ist eine klassische manuelle Antriebsvariante für Innen- und Aussenjalousien. Er dient zum Heben und Senken des Jalousiebehangs sowie dem Wenden der Lamellen.
Hinweis:
VALETTA Schnurzug mit hochwertiger 2,5 mm Terylene Schnur. Modellabhängig kombiniert mit einem Wendestab oder Wendekette zum Wenden der Jalousielamellen.
VALETTA Schnurzug mit hochwertiger 2,5 mm Terylene Schnur. Modellabhängig kombiniert mit einem Wendestab oder Wendekette zum Wenden der Jalousielamellen.
Schnurzug mit Wendestab
Bei dieser Antriebsvariante für Jalousien erfolgt das Wenden der Lamellen erfolgt über einen Wendestab, das Heben/Senken des Behanges durch einen Schnurzug. Er ist durch ein Schnurschloss in jeder beliebigen Höhe arretierbar.
Senkrechtverarbeitung
Bei der Senkrechtverarbeitung verlaufen die Schussfäden horizontal und die Kettfäden in Ausfallrichtung (Ballenbreite zur Anlagenbreite verarbeitet).
Bei Markisen wird standarmäßig eine senkrechte Verarbeitung mit senkrechten Nähten gewählt. Der Vorteil liegt darin, dass die Zugspannung bei Bahnenware im Gegensatz zu querverarbeiteter Breitware auf die höhere Anzahl der Kettfäden wirkt. Bei einer typischen Webkonstruktion bringt das Tuch in der Kettrichtung eine deutlich höhere Festigkeit gegenüber der Schussrichtung.
Hinweis:
Bei Fenstermarkisen o.ä. nur möglich, wenn die Anlagenbreite die Ballenbreite nicht überschreitet (Stoff gedreht).
Bei Fenstermarkisen o.ä. nur möglich, wenn die Anlagenbreite die Ballenbreite nicht überschreitet (Stoff gedreht).
Sichtblende
Nach vorne sichtbare Verblendung des Sonnenschutzbehangs (Raffstore, …). Zumeist aus pulverbeschichtetem Aluminium. Nur für Aufputzvarianten.
Sichtschacht
Ein Sichtschacht ist einseitig oder beidseitig mit der gewünschten RAL Farbe beschichtet. Die individuelle Farbgebung ermöglicht einen großen Gestaltungsspielraum an der Fassade. Der Sichtschacht eignet sich vor allem bei der nachträglichen Montage, beispielsweise bei einer Sanierung.
Hinweis:
Es ist die Pakethöhe der Anlage zu beachten, sodass der Raffstore im geschlossenem Zustand völlig im Schacht verschwindet. Ebenso zu beachten ist der Schachttiefe/Schachtauslass in Kombination mit dem verwendetem Lamellentyp und Insektenschutz Kombinationen.
Es ist die Pakethöhe der Anlage zu beachten, sodass der Raffstore im geschlossenem Zustand völlig im Schacht verschwindet. Ebenso zu beachten ist der Schachttiefe/Schachtauslass in Kombination mit dem verwendetem Lamellentyp und Insektenschutz Kombinationen.
Sichtschutz
Sichtschutz bietet Schutz vor unerwünschten Blicken und bildet Abgrenzungen und somit intime, abgeschirmte Räume. Der Sichtschutz kann mit unterschiedlichen Varianten und Transparenzen mehr oder weniger Duchblick gewähren. Dies hängt vom eingesetzten Material oder technischer Ausführung ab.
Smart Home
Smart Home dient als Oberbegriff für die Vernetzung und die Automatisierung von Haustechnik, Haushaltsgeräten und elektronischen Unterhaltungsgeräten welche die Sicherheit und die Lebensqualität erhöht.
Hinweis:
VALETTA bietet Smart Home Lösungen unerschiedlicher Hersteller wie Somfy und Elero an.
VALETTA bietet Smart Home Lösungen unerschiedlicher Hersteller wie Somfy und Elero an.
Smartkeder
Auf das Tuch ist ein Rundkeder mit Tex-Gewebe aufgebracht, dass für eine speziell flache Wickelung sorgt. Dieser Keder sorgt für eine optimale Wicklung ohne Tuchabdruckt am Markisenstoff.
Tuch schonend, keine Druckstellen; Formschlüssige Verbindung; Kederschnur hohl und variabel; Keder wird seitlich eingezogen, Demontage der Welle erforderlich; 1,5-fache Sicherheitsumwickelung
Hinweis:
nicht möglich bei ZIP-Anlagen; kein VALETTA Standard
nicht möglich bei ZIP-Anlagen; kein VALETTA Standard
Soft-Fin Bürsteneinlage
Die Soft-Fin Bürsteneinlage mit Tex-Band Finne sorgt für einen sanften und ruhigen Lauf des Rollladenbehangs. Sie wir bei den Führungsschienen der Mini-Rollläden sowie der Softführungsschienen bei der Rollladen Komplettierung verwendet.
Sie bietet gegenüber Neopren-Einlagen den Vorteil, dass sie weicher und geschmeidiger bleibt.
Softschieneneinputzprofil
Das Softschieneneinputzprofil für die VALETTA Softführungsschiene besteht aus einem Unterputzprofil mit Dämmung. Befestigung mittels Clip-Profilen am Fensterstock ohne sichtbare Schrauben; der Montageclip ist mit einem Schaumband zum Fenster und Softschieneneinputzprofil thermisch getrennt. In zwei Größen (Typ F 7,4 cm; Typ E 5,9 cm) inkl. Clipbefestigung.
Ein wichtiger Punkt beim Thema Schlagregendichtheit ist die Oberflächenbeschichtung von Anschluss- und Putzprofil. Die bei diesem System verwendete Unterputzschiene ist blank
und garantiert so langlebigen Halt für die Dichtbänder. Die sichtbare, aufgeklippte Führungsschiene sorgt für die gewünschte Optik.
Solar
Solarbeschattungen wie beispielsweise Solarrollladen oder ZIP-SOLAR nutzen für den Antrieb die natürliche Kraft der Sonne und besitzen viele Vorteile: So kommen sie etwa dort zum Einsatz, wo keine Stromleitungen verlegt werden kann oder darf. Die einfache, schnelle und vor allem saubere Montage ohne Stemmen und Staub ist ebenso ein großer Vorteil.
Beschattungen mit Solarantrieb besitzen ein Solarpanel, das seine Energie aus Sonnenstrahlen gewinnt. Diese Sonnenenergie fließt wiederum in einen Akku und wird dort gespeichert. So ist auch bei wenig Sonne oder bis zu 40 Tagen genug Energie gespeichert um mindesten 2 Fahrten pro Tag zu gewährleisten.
Solarantrieb nicht nur effizient, praktisch und zuverlässig, sondern auch eine zukunftsweisende und umweltschonend Technologie.
Sonnenschutz
Sonnenschutz von Architektur hat das Ziel Gebäude, Räume und deren Nutzer für starker Sonnenstrahlung und deren Effekte zu schützen. Unter diese Nebenwirkungen der Sonneneinstrahlung fallen die Überhitzung des Gebäudes sowie UV-Schutz, Blendeffekte oder Reflexionen. Sonnenschutz kann baulich / konstruktiv erfolgen (Dachvorsprung etc.) oder mittels Sonnenschutz und Beschattung mittels Rollladen, Jalousie, Raffstore, Markise o.ä.
Es wird unterschieden zwischen Innenliegenden und Außenliegendem Sonnenschutz. Innenliegender Sonnenschutz dient zumeist in erster Linie dem Blend- und Sichtschutz. Außenliegender Sonnenschutz umfasst hingegen die Bereiche sommerlichen und winterlichen Wärmeschutz, Einbruchschutz, Wind- und Regenschutz, Schallschutz, Blend- und Sichtschutz, Lichtlenkung sowie Verdunkelung.
Spinndüsengefärbt
Spinndüsengefärbt bedeutet, dass die Faser bereits bei der Herstellung durchgefärbt wird – so kann der Stoff nicht ausbleichen und weil Acryl die Faser ist, die ohne einen chemischen Zusatz UV-beständig ist, bleibt das Markisentuch über viele Jahre stabil.
Steckkeder
Tuch schonend, keine Druckstellen; Formschlüssige Verbindung; Kederschnur voll und fest; rasche Demontage; 1,5 fache Sicherheitsumwickelung
Hinweis:
nur bei Flachnutwelle möglich; Verwendung bei PALMA, LUNA-GRANDE, ROMA, VALENCIA
nur bei Flachnutwelle möglich; Verwendung bei PALMA, LUNA-GRANDE, ROMA, VALENCIA
Stocklichte
Die Stocklichte ist der Abstand zwischen den Abständen der sichtbaren Oberflächen des Stockes, also die Breite von Stock zu Stock bzw. die Höhe von Stock zu Stock.
Stockmass
Als Stockmaß bzw. Stockaussenmaß ist das Maß des gesamten Fensters inkl. Fensterstock definiert.
Stockmontageprofil
Stranggepresstes Aluminium Profil das die hintere Wand des Schachtes und darauf aufgebrachte Dämmung umfasst. Es dient zur Stabilisierung und Befestigung des Schachtes am Fensterstock mittels Verschraubung.
Hinweis:
Das Mass in der Tiefe passt sich entsprechend der Stärke/Dicke der Dämmung an.
Das Mass in der Tiefe passt sich entsprechend der Stärke/Dicke der Dämmung an.
Stockverbreiterung
Eine Stockverbreiterung ist eine Verbreiterung des Fenster- oder Türstockes, um bei Vollwärmeschutz, den Fenster- od. Türstock nicht vollständig abzudecken. Dadurch entsteht beispielsweise an der Oberseite Platz für Sonnenschutzanlagen.
Stoff gedreht
Bei einer Aussenanlage ist die Stoffsichtseite lt. Kollektion als Standard an der Aussenseite.
Bei einer Innenanlage ist die Stoffsichtseite lt. Kollektion als Standard an der Innenseite.
Ist es je nach Anlage gewünscht, dass die Sichtseite umgekehrt als der Standard nach Innen oder Aussen zeigt, so ist "Stoff gedreht" bei der Bestellung anzugeben.
Strukturlack
Strukturlack ist eine spezielle Form der Lackoberfläche, die aus mehreren Gründen zum Einsatz kommt. Strukturlack hat den großen Vorteil, dass seine Oberfläche mechanisch stärker beanspruchbar ist als eine Glattlackierung. Weiteres ist Schmutz weniger leicht erkennbar und die Oberfläche einfach zu reinigen.
Optisch wirkt Strukturlack sanft, in der Fläche homogen und somit eleganter als Glattlack.
Hinweis:
Ihr VALETTA Vorteil ohne Aufpreis! Nahezu alle Standard Raffstore-Lamellen werden bei VALETTA standardmäßig in Strukturlack ausgeführt. Die genaue Auflistung finden sie in der Lamellenfarbkarte.
Ihr VALETTA Vorteil ohne Aufpreis! Nahezu alle Standard Raffstore-Lamellen werden bei VALETTA standardmäßig in Strukturlack ausgeführt. Die genaue Auflistung finden sie in der Lamellenfarbkarte.
T
Terylene
Terylẹne® aus Ethylenglykol und Dimethylterephthalsäure hergestellter hochwertiger Polyesterfaserstoff.
Es ist ein seit Jahrzehnten bewährtes, nicht resorbierbares Material (keine Feuchtigkeitsaufnahme) mit universellem Einsatzbereich (Nähte, Schnüre,…). Ein besonders positives Merkmal ist die extrem hohe Reißfestigkeit.
Texband
Als Texband wird das Aufzugsband eines Raffstores bezeichnet. Zumeist ist dieses 6 mm oder 8 mm breit.
VALETTA Texbänder für Raffstore sind 8 mm breit und 0,34 mm stark. Für eine längere Lebensdauer sind diese zusätzlich auch doppelt vernäht. Die Standard Farbe ist grau, optional ist das Texband auch in schwarz möglich.
Hinweis:
Das Aufzugsband ist ein Verschleißteil in der Raffstore-Anlage, wenn auch mit hoher Lebensdauer, kann es zum Beispiel bei einer Kollision bzw. Verklemmung beim Auf- oder Niederfahren des Behangs (z.B. Blumenkasten, Stuhl, …) oder bei starkem Wind zum Riss des Bandes kommen. Wir empfehlen eine regelmäßige Prüfung und Wartung des Textbandes. Bei der Bestellung eines Ersatz-Texbandes ist bei der Bestellung auf die Breite, Länge und Farbe zu achten.
Das Aufzugsband ist ein Verschleißteil in der Raffstore-Anlage, wenn auch mit hoher Lebensdauer, kann es zum Beispiel bei einer Kollision bzw. Verklemmung beim Auf- oder Niederfahren des Behangs (z.B. Blumenkasten, Stuhl, …) oder bei starkem Wind zum Riss des Bandes kommen. Wir empfehlen eine regelmäßige Prüfung und Wartung des Textbandes. Bei der Bestellung eines Ersatz-Texbandes ist bei der Bestellung auf die Breite, Länge und Farbe zu achten.
Ü
Überstand
Gibt bei der Bestellung des Y-Halter Raffstore (YHR) den Abstand zwischen Stockaussenmass und Raffstorebestellbreite (Aussenkante Führungsschiene Raffstore) an.
U
Unterputzblende
Blende, zumeist zwei- oder dreiseitig geschlossen, zur Montage auf der rohen Fassade, welche bauseitig verputzt wird.
Hinweis:
Es ist die Pakethöhe der Anlage zu beachten, sodass der Raffstore im geschlossenem Zustand völlig hinter der Blende verschwindet. Ebenso zu beachten ist die Blendentiefe in Kombination mit dem verwendetem Lamellentyp und Insektenschutz Kombinationen.
Es ist die Pakethöhe der Anlage zu beachten, sodass der Raffstore im geschlossenem Zustand völlig hinter der Blende verschwindet. Ebenso zu beachten ist die Blendentiefe in Kombination mit dem verwendetem Lamellentyp und Insektenschutz Kombinationen.
Unterputzschacht
Der Unterputzschacht wird noch vor der Fassadengestaltung auf der rohen Fassade montiert. Nach dem bauseitigen Verputzen und dem Fertigstellen der Fassade bindet sich der Unterputzschacht optisch unsichtbar in die Architektur mit ein.
Hinweis:
Es ist die Pakethöhe der Anlage zu beachten, sodass der Raffstore im geschlossenem Zustand völlig im Schacht verschwindet. Ebenso zu beachten ist der Schachttiefe/Schachtauslass in Kombination mit dem verwendetem Lamellentyp und Insektenschutz Kombinationen.
Es ist die Pakethöhe der Anlage zu beachten, sodass der Raffstore im geschlossenem Zustand völlig im Schacht verschwindet. Ebenso zu beachten ist der Schachttiefe/Schachtauslass in Kombination mit dem verwendetem Lamellentyp und Insektenschutz Kombinationen.
Usb Wärmeduchgangskoeffizient
Der Wärmedurchgangskoeffizient U (W/m2K), U-Wert gibt an, welche Wärmeleistung durch 1 m² eines Bauteils hindurchgeht, wenn die Temperaturdifferenz zwischen den beiden Seiten 1 Kelvin beträgt. Je kleiner der U-Wert, desto besser der Dämmwert, desto geringer die Wärmeverluste. Benötigt wird der U-Wert zur Berechnung der Wärmeverluste eines Hauses. Bei mehrschichtigen Bauteilen ist für jede Schicht der Einzelwert festzustellen, die Bewertung aller Einzelwerte ergibt dann den Wärmedämmwert für das gesamte Bauteil. Diese sind je Bauteil unterschiedlich benannt: Usb-Wert (Rollladenkasten), Ug-Wert (Isolierglas),…
Hinweis:
Mehrere U-Werte kann man nicht einfach addieren. Bei der Zusammensetzung mehrer Materialien werden diese nahc bestimmten Verfahren bewertet und berechnet.
Mehrere U-Werte kann man nicht einfach addieren. Bei der Zusammensetzung mehrer Materialien werden diese nahc bestimmten Verfahren bewertet und berechnet.
V
Verdunkelung
Eine Verdunkelung ist eine Vorrichtung, mit der eine Öffnung (Fenster) durch einen aufrollbaren Behang lichtdicht verschlossen werden kann. Hierzu werden lichtundurchlässige Textilien sogenannte Block-Out Gewebe verwendet. Diese blockieren 100% der UV-Strahlen wodurch eine totale Verdunkelung des Raumes erreicht werden kann. Anwendung finden diese beispielsweise in Vortragsräumen, Kinos, Schlafzimmer etc.
Hinweis:
Im öffentlichen Raum müssen lt. Baurecht vollständige oder nahezu verdunkelbare Räume entsprechende Notbeleuchtung, Sicherheitsbeleuchtung und Notausgangsbeleuchtungen aufweisen.
Im öffentlichen Raum müssen lt. Baurecht vollständige oder nahezu verdunkelbare Räume entsprechende Notbeleuchtung, Sicherheitsbeleuchtung und Notausgangsbeleuchtungen aufweisen.
Verschleißteil
Jeder außenliegende Sonnenschutz ist Wind, Wetter und damit Verschmutzung und Verschleiß ausgesetzt. Es wird versucht mit hochwertigen Materialien diesem Verschleiß entgegenzuwirken, er ist jedoch in manchen Bereichen nicht zu verhindern.
In der DIN-Norm 31051 versteht man unter Verschleißteil eine Einheit, die an Stellen, an denen betriebsbedingt Abnutzung auftritt, aus wirtschaftlichen Gründen eingesetzt wird, um dadurch andere Teile und Einheiten des Produktes vor Abnutzung zu schützen, und die vom Konzept her für den Austausch vorgesehen ist.
Beispiele sind hier für Raffstore Textilien wie Tex-Bänder / Aufzugsband, Leiterkordel etc. oder für Rollladen Bedienungsgurte.
Hinweis:
Alle Bedienteile und Elemente regelmäßig auf sichtbaren Verschleiß und Beschädigungen prüfen.
Alle Bedienteile und Elemente regelmäßig auf sichtbaren Verschleiß und Beschädigungen prüfen.
Vertima
Das Vertima ist ein Senkrechtrollo das in der Fallschiene integriert ist. Es ist mittels Kurbel stufenlos abrollbar und höhenverstellbar. Ein Vertima ist optimal als Sichtschutz sowie gegen die tiefstehende Sonne für zusätzlichen Schatten einsetzbar.
Hinweis:
Maximal Abmesungen sind zu beachten. Nur bei ausgewählten Markisen möglich bis zu einem Ausfall von 300 cm und einer maximalen Breite von 600 cm.
Maximal Abmesungen sind zu beachten. Nur bei ausgewählten Markisen möglich bis zu einem Ausfall von 300 cm und einer maximalen Breite von 600 cm.
Volant
Der Volant (auch Markisenschürze genannt) wird zumeist bei offenen Gelenkarm-Markisen / Tragrohrmarkisen eingesetzt. Er wird am Ausfallprofil montiert und verdeckt die nach vorne hin sichtbaren Markisenarme, vor allem im geschlossenem Zustand. Bei tiefstehender Sonne kann der Volant zusätzlichen Schatten spenden. Bei komplett geschlossenen Kassettenmarkisen empfiehlt sich kein Volant. Der Volant kann in unterschiedlichen Formen von gerade bis gewellt ausgeführt werden. Volants werden aus dem Stoff der Tuchbahnen genäht und mit aufgenähtem Einfassband umrahmt.
Hinweis:
Volant dürfen nicht in der Waschmaschine gewaschen werden. Dadurch werden die Nähte zerstört sowie die schmutzabweisende Beschichtung entfernt. Mit etwas Wasser und einem weichen Reinigungsmittel lassen sich Verschmutzungen abbürsten, ohne den Volant zu beschädigen. Um die Lebensdauer des Volants zu verlängern, sollte er außerhalb der sonnenintensiven Zeiten (Winter) vom Markisengestell abgenommen und zu Beginn der Sonnenperiode wieder montiert werden.
Volant dürfen nicht in der Waschmaschine gewaschen werden. Dadurch werden die Nähte zerstört sowie die schmutzabweisende Beschichtung entfernt. Mit etwas Wasser und einem weichen Reinigungsmittel lassen sich Verschmutzungen abbürsten, ohne den Volant zu beschädigen. Um die Lebensdauer des Volants zu verlängern, sollte er außerhalb der sonnenintensiven Zeiten (Winter) vom Markisengestell abgenommen und zu Beginn der Sonnenperiode wieder montiert werden.
Volant Form
Volant Form 1
Diese Volantform eignet sich sehr gut für eine geradlinige Architektur mit klaren Linien und modernem Design.
Volant Form 2
Der Klassiker unter allen Markisenvolants. Zeitlos und schon immer beliebt, wird diese Form auch in Zukunft nie aus der Mode kommen.
Volant Form 3
Eine markante und deutliche Wellenform zeichnet diesen Volant aus und gibt ihm eine florale Anmutung.
Volant Form 4
Kleine tiefergesetzte Halbkreise beschreiben diese Form des Volants.
Volant Form 5
Passend zu geradlinigem und gekantetem Design passt sich dieser Volant linearer Architektur an.
Volant Form 6
Eine fließende Wellenform gibt diesem Volant eine sanfte gleichmäßige Optik.
W
Wandmontage
Die Montage der Anlage erfolgt an einer Wand bzw. einer vertikalen Ebene.
Hinweis:
Bei der Montage muss das Montagematerial auf den jeweiligen Untergrund und seine Beschaffenheit abgestimmt sein!
Bei der Montage muss das Montagematerial auf den jeweiligen Untergrund und seine Beschaffenheit abgestimmt sein!
Wellenbausatz
Der Wellenbausatz ist im Standard inkludiert und umfasst Welle, Teleskop, Lagerbuchse, Lageraufnahme und Antriebsbausatz (Gurt, Kurbel oder Motor). Sollt dieser nicht gewünscht sein weil Bauseitig eine Welle vorhanden ist, dann muss bei der Bestellung „ohne Wellenbausatz“ angegeben werden.
Hinweis:
Ohne Wellenbausatz muss die bauseitige Antriebsart angegeben werden um die entsprechende Feder für den Behang zu definieren.
Ohne Wellenbausatz muss die bauseitige Antriebsart angegeben werden um die entsprechende Feder für den Behang zu definieren.
Windwiderstandsklasse
Die Windwiderstandsklasse gibt an bis zu welchem Bereich die Anlage für Wind und Sogkräfte geprüft und getestet ist. Tatsächliche Windwiderstandswerte sind nicht nur vom Produkt abhängig, sondern auch von der Art der Montage sowie dem Befestigungsuntergrund und den verwendeten Befestigungsmitteln.
Die Windbeanspruchung einer Anlage ergibt sich aus mehreren Faktoren wie der Einwirkung von Wind auf das Bauwerk, erfasst in Form von Windlasten, die sich aus Winddruck, Windsog und Zuschlagswerten zusammensetzen. Die Windlasten sind unter anderem abhängig von der regionalen Windlastzone, dem Gebäude, der Gebäudelage und der Gebäudeform. Wesentlichen Einfluss hat zudem auch der Montageort - wo am Gebäude ist die Anlage montiert.
Hinweis:
Beschattungsanlagen, Aussenjalousien oder Raffstore müssen ab einer bestimmten Windgeschwindigkeit eingefahren werden um Beschädigungen zu vermeiden. Es empfiehlt sich hierzu die Verwendung von elektrisch angetriebenen Anlagen, die mit einer Windüberwachung ausgestattet sind.
Beschattungsanlagen, Aussenjalousien oder Raffstore müssen ab einer bestimmten Windgeschwindigkeit eingefahren werden um Beschädigungen zu vermeiden. Es empfiehlt sich hierzu die Verwendung von elektrisch angetriebenen Anlagen, die mit einer Windüberwachung ausgestattet sind.
Z
ZIP Anlage mehrteilig
Bei einer mehrteiligen ZIP Anlage werden die Elemente aneinandergereiht. Bei einer mehrteiligen Ausführung mit Abstandhalter (AHZ) erhalten die mittleren Schienen einen gemeinsamen Doppelabstandhalter, jede Anlage hat hier seine eigene Führungsschiene (keine Doppelführungsschiene).
Hinweis:
Ansicht bei ZIP Anlagen immer von Aussen gesehen!
Ansicht bei ZIP Anlagen immer von Aussen gesehen!
Zusätzliche Seilabspannung
Zur bestehenden Schienenführung kann eine zusätzliche Seilführung bzw. Seilabspannung gewählt werden. Diese sorgt für zusätzliche Windstabilität des Behangs, speziell bei großen Anlagen. Die zusätzliche Seilführung wird mit Seilhaltern inkl. Spannvorrichtungen an Fenster, Wand oder mittels Seilbodenabspanner (STB) am Boden befestigt.
Hinweis:
Höhenabhängige Montagemöglichkeit des Seilhalters beachten.
Höhenabhängige Montagemöglichkeit des Seilhalters beachten.
Zwischenrastung
Die Zwischenrastung ermöglicht zusätzlich zur Endrastung ein Fixieren des Insektenschutzrollos auf gewünschter Höhe.
Hinweis:
Nicht möglich bei Noppenführung.
Nicht möglich bei Noppenführung.